Zamek elektryczny ABLOY EL502 – jednostronna kontrola dostępu
Zamek EL502 jest zwykle jest stosowany w drzwiach wewnętrznych budynków biurowych oraz instytucjach edukacyjnych.
Zamek wyposażony jest w rygiel dzielony o zwiększonej trwałości. Podniesiono dzięki temu bezpieczeństwo i jednocześnie zaoferowano efektywny kosztowo sposób elektrycznej kontroli przejścia, bardziej zaawansowany w porównaniu z np. elektrozaczepem.
Zamek EL502 może być sterowany przez rozmaite urządzenia generujące impuly elektryczne takie, jak czytnik kart, klawiatura kodowa, zegar. Jest doskonałym rozwiązaniem do systemów kontroli dostępu. Zamek może współpracować z automatem do drzwi uchylnych. Dzięki unikalnej konstrukcji rygla dzielonego, ABLOY® EL502 może być stosowany w drzwiach wahadłowych
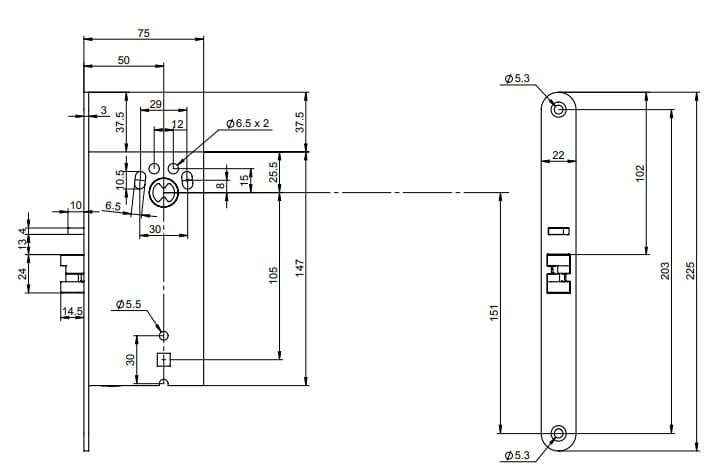
Blacha czołowa płaska 225x22x3mm
Zasuwka wysuwana
Kierunek uniwersalny ( prawy / lewy )
Orzech 9mm
Dormas regulowany 50mm
Funkcja:
Drzwi można otworzyć przez pchnięcie/ciągnięcie, kiedy aktywny jest impuls elektryczny. EL502 może być skonfigurowany jako ’bez prądu otwarty’. Wtedy drzwi można otworzyć przez pchnięcie/ciągnięcie, kiedy sterujący impuls elektryczny jest wyłączony.
Zamek zawsze można otworzyć kluczem, pokrętłem bądź dźwignią jednoręczną (push pad). Kiedy drzwi się zamkną, zamek jest automatycznie ryglowany.
Zamek cechuje szeroki zakres napięć zasilania i natychmiastowa reakcja na impuls otwarcia.
Nie rekomenduje się zamka EL502 do drzwi z dużym prężeniem wstępnym. Zamek nie jest przeznaczony do drzwi przeciwpożarowych.
W drzwiach wahadłowych zamek może być zaryglowany dopiero po ustabilizowaniu drzwi w pozycji zamkniętej.
Instrukcja montażu:
Dane techniczne:
|
Producent |
ASSA ABLOY |
|
Model |
EL502 |
|
Zastosowanie |
kontrola dostępu na drzwiach zewnętrzncyh i o dużym ruchu; drzwi ewakuacyjne |
|
Drzwi ppoż |
Nie |
|
Napięcie zasilania |
12-24 VDC (-10%/+15%, stab.) |
|
Pobór prądu 12V DC |
max 550 mA (12 VDC) spocz. 240 mA (12 VDC) |
|
Pobór prądu 24V DC |
max 270 mA (24 VDC) spocz. 110mA (24 VDC) |
|
Blacha czołowa |
Chrom |
|
Zakres temperatur otoczenia |
od -20°C do +60°C |
|
Wysunięcie rygli |
14,5 mm |
|
Backset |
regulowany |
|
Szerokość blachy czołowej |
22 mm |
|
Trzpień klamki |
9 i 8 mm (adapter 8mm w komplecie z zamkiem) |
|
Tryb pracy |
NC (ust. fabryczne) lub NO |
|
|
|






