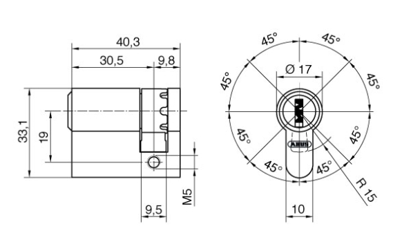
Abus MAGTEC 1500 Wkładka magnetyczna modularna BSZ
Niezawodna ochrona przed nielegalnym kopiowaniem kluczy 3D dzięki zintegrowanej technologii magnetycznej
Najwyższa klasa ochrony według SKG-IKOB –SKG***
Najwyższa klasa odporności na atak zgodnie z normą DIN EN 1303 –Klasa D
Prawna ochrona przed kopiowaniem dzięki ochronie patentowej (do 2038 r.*) oraz nieograniczonej ochronie znaku towarowego
Skuteczna ochrona przed niedestrukcyjnymi metodami otwierania
Płytka ochronna przed wierceniem zapewniająca maksymalną ochronę przed siłowym otwarciem
Modułowa konstrukcja w standardzie
Do czterech rzędów zapadek dla bardzo dużych i złożonych systemów klucza generalnego
Ochrona patentowa do 2038 r.
BSZ Bezpieczne sprzęgło
Opcja ta daje możliwość użytkowania mimo włożonego klucza od strony mieszkania. Jest to bardzo przydatna funkcja na wypadek, gdybyś przypadkowo zatrzasnął drzwi a klucz został przekręcony od wewnątrz np. ( małe dziecko, osoba starsza). Ta funkcja nie jest konieczna ale może się jednak przydać, jeśli wieczorem wrócisz do domu i ktoś zamknął już przed tobą drzwi i nie wyjął klucza. Opcja w żaden sposób nie zmniejsza bezpieczeństwa. Wkładka z funkcją jest całkowicie tak samo bezpieczna jak wkładka bez tej funkcji.
W komplecie
5 kluczy
karta kodowa
śruba mocujaca
























