ASSA ABLOY Zamek przeciwpożarowy 72/55 mm, uniwersalny
Zamek jednoskrzydłowy OneSystem N1050 wg normy EN 12209 do drzwi jednoskrzydłowych standardowo dopuszczonych do stosowania w barierach ogniowych wg EN 1634
– Zamek skrzydełkowy N1050 ONE SYSTEM zgodny z EN12209 do drzwi jednoskrzydłowych,
– Dopuszczony do stosowania w przegrodach przeciwpożarowych zgodnie z EN1634,
– Deklaracja produktu dotycząca środowiska (EPD) zgodna z EN15804 z parametrami specyficznymi dla wyrobu,
– Przetestowany na 1 000 000 cykli i na 300 kg drzwiach.
Dane techniczne
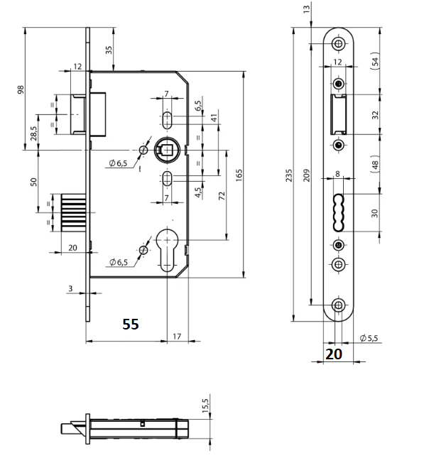
- Wysuw rygla: 20 mm,
- Strona: DIN L/P (symetryczna blacha czołowa), DIN lewa lub DIN prawa (asymetryczna blacha czołowa zgodna z DIN 18251-1)
- Standard: EN12209,
- Rozstaw: 72 mm,
- Dormas: 55 mm,
- Blacha czołowa: Płaska blacha czołowa: F3 x 20 mm,
- Długość blachy czołowej: 235 mm,
- Materiał: Stal nierdzewna,





