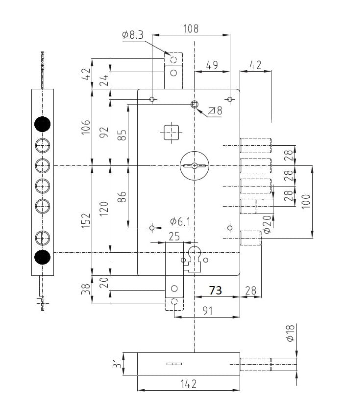
Zamek do drzwi DIERRE ATRA dwusystemowy piór+wkładka
– Zamek stosowany w drzwiach FAIP
– Zestaw NIE zawiera wkładki MIA. Znajdziesz je poniżej w „produktach powiązanych”.
– Zamek lewy lub prawy
– System blokady lock trap
Na grafice poniżej jest zaznaczona wersja A i B. Czerwone ramki oznaczają brak rygla. Proszę przy zakupie o informację jaką wersję mamy wysłać.











