Euro-Elzett Zamek 3436 – 55/55
Zamek wpuszczany przeznaczony do stosowania w drzwiach zewnętrznych lub wewnętrznych.
Zamek jest uniwersalny lewy-prawy
Konstrukcja zamka oraz mechanizm zostały wykonane z metalu co zapewnia wieloletnią, bezawaryjną pracę zamkazamek wpuszczany EURO ELZETT
Dane techniczne:
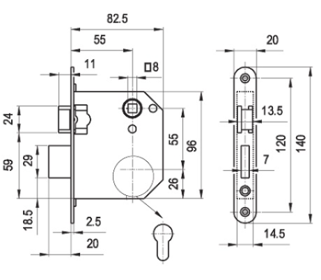
dormas zamka 55/55
odległość od środka klamki do środka wkładki 55mm
rozstaw między śrubami montażowymi 120 mm
długość blachy czołowej 140 mm
szerokość blachy czołowej 20 mm
zamek posiada uchylną falkę z pod klamki świetnie się nadaje do zaczepu elektrozaczepu





