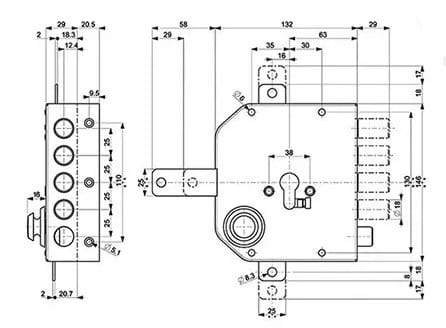
MOTTURA Zamek nawierzchniowy z zatrzaskiem
Zamek nawierzchniowy rozporowy do drzwi wejściowych ze zwrotnicą
włoskiej firmy MOTTURA
Solidny, 4 bolcowy+zatrzask / ryglowy zamek nawierzchniowy do drzwi wejściowych z dodatkową zwrotnicą do ryglowania.
Od strony wewnętrznej wygodne duże pokrętło do zamykania.
Zamek w kolorze brązowym.
W komplecie:
– zamek
– zwrotnica
– pręty pionowe i poziome
– śruby i elementy montażowe









