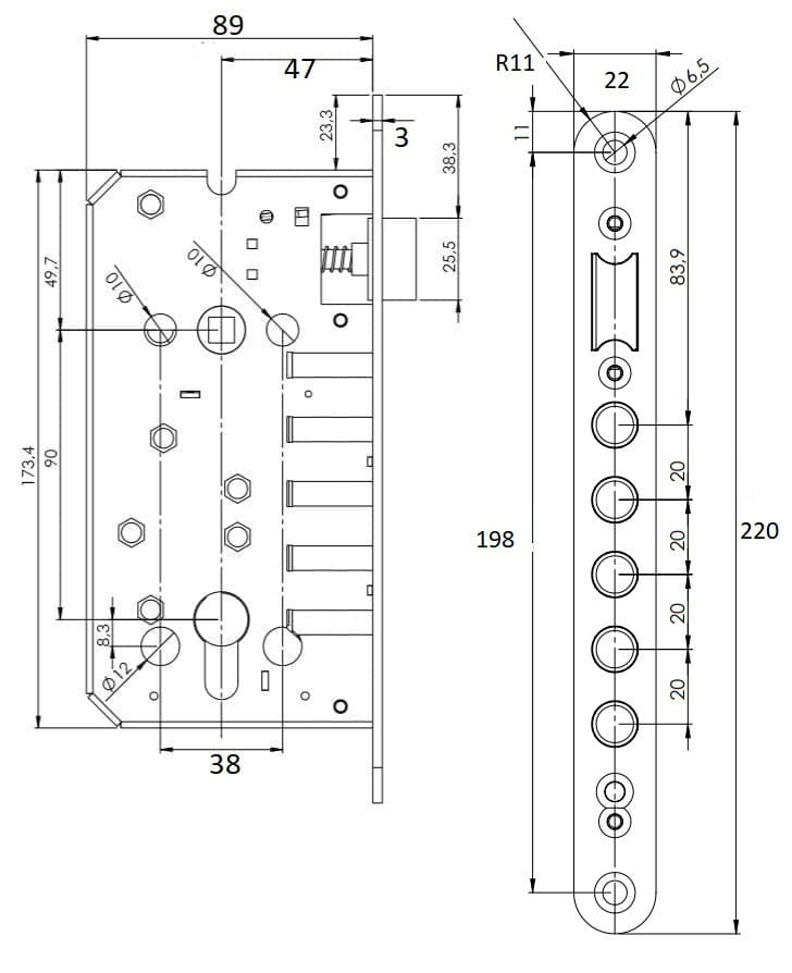
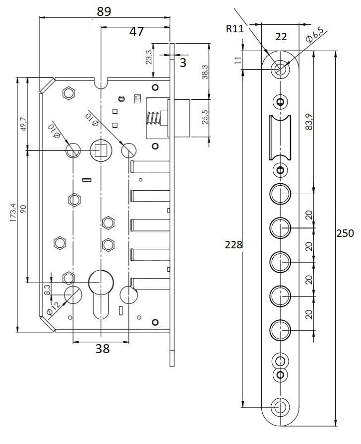
informacje dodatkowe:
– Zamek atywłamaniowy główny ROM 14, trzpieniowy
– do zastosowania z wkładką na zwykły zabierak
– Uniwersalny do drzwi prawych i lewych
– Kolor czoła chrom , 22 mm
– Zamek rozmiar 90/50 dormas 47mm
– Atest IMP klasa 7
– Zamek oryginalny przeznaczony do drzwi producenta MAR-TOM, PTZ STALPRODUKT
– Do wybory dwie długości listw czołowych 220 lub 250 mm







