S.A.B. zamek model T2200 to wysokiej jakości wpuszczany zamek z zaokrągloną listwą czołową.
Zamek wpuszczany charakteryzujący się wysoką jakością wykonania i wytrzymałością. Wyróżnia się elegancką dekoracyjną blachą czołową, która znakomicie podkreśla piękno każdych drzwi wykonanych z litego drewna.
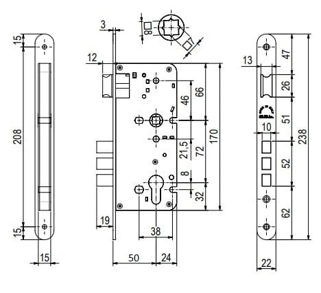
Model T22007250OLV7 posiada rozstaw 72 mm i głębokość 50 mm.
W kasecie zamka znajduje się otwór na wkładkę bębenkową o profilu europejskim oraz otwór na trzpień ⧄ 8 mm. Oprócz mechanicznego zaczepu zamek został wyposażony w trzy rygle, które w pozycji zamkniętej wysuwają się na 19 mm i posiadają zabezpieczenie przed przecięciem oraz próbami manipulacji.
Zaczep zamka można odwrócić i przełożyć zależnie od potrzeb, co pozwala zamontować zamek zarówno w drzwiach lewych, jak i w drzwiach prawych.
Zaokrąglona blacha czołowa o rozmiarach 238x22x3 mm została wykonana z mosiądzu i posiada wykończenie lakierowane. Jej dekoracyjny charakter sprawia, że zamek prezentuje się bardzo atrakcyjnie po zamontowaniu na drzwiach drewnianych.
• Rygle zabezpieczone przed przecięciem
• Zamek uniwersalny lewy/prawy
• Obracany na 2 obroty klucza
• Zaokrąglona listwa czołowa
• wykończenie OLV, złoto błyszczące
• Dormas 50mm





