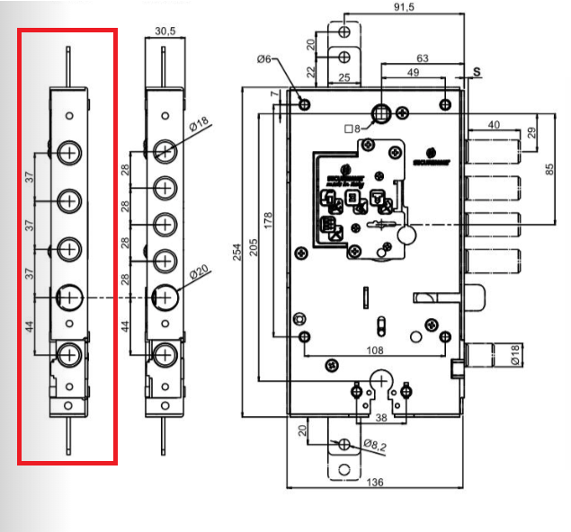
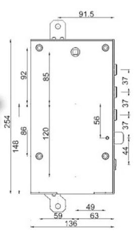
SECUREMME Zamek model 2531
Zamek stosowany w drzwiach Włoskiego producenta PORTEROLO & RE

Opis produktu:
- Zamek wpuszczany dwu systemowy
- Możliwość współpracy z modułem na euro profil lub klucz piórowy (BRAK MODUŁU KLUCZOWEGO W ZESTAWIE)
- 3 rygle o rozstawie 37 mm, brak listwy czołowej
- zamek prawy lub lewy, przy zakupie należy określić stronę i kierunek otwierania się skrzydła drzwiowego
- Aby dokonać zmiany położenia języczka w tym celu należy na wysuniętych ryglach wcisnąć jezyczek do kasety i obrócić języczek o 180 stopni.
Wykończenie:
- Galwanizowana kaseta zamka.
Zamek można zastosować z różnymi wariantami modułu kluczowego:
25C – moduł w którym można zastosować euro wkładkę,
25T – moduł z blokadą w którym można zastosować euro wkładkę,
S25 – moduł na klucz piórowy, 4 klucze w komplecie,
Zamek nadaję się również jako zamiennik za zamek SIAS w 99%, Dolna wkładka jest przesunięta o ok 2,5cm w dół w stosunku do oryginału. Pozostałe wymiary i mocowania pokrywają się










