WILKA Wkładka do drzwi dierre 40/50G
Niemiecka firma Wilka to przedsiębiorstwo o rodzinnej tradycji sięgającej roku 1865. Do profilu działalności należą między innymi produkcja zamków, wkładek bębenkowych i systemów klucza w tym – Master Key. Produkty z logo Wilka zawsze wykonane są z komponentów najwyższej jakości, które w połączeniu z solidnym wykonaniem gwarantują dużą trwałość i niezawodność w działaniu!
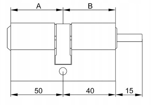
Dane techniczne:
Marka: WILKA
Wymiar wkładki: 40/50g (Z trzpieniem poasującym pod oryginalną gałkę DIERRE ) Gałki do wyboru w produktach powiązanych
Klasa: A
Ilość kluczy: 3 szt z logo producenta drzwi
Napęd: Zabierak
Kolor: Mosiądz lub Satyna do wyboru










